Dodaj produkty podając kody
Dodaj plik CSV
Wpisz kody produktów, które chcesz zbiorczo dodać do koszyka (po przecinku, ze spacją lub od nowej linijki).
Powtórzenie wielokrotnie kodu, doda ten towar tyle razy ile razy występuje.
Do wody zimnej w układach klimatyzacji bez środka przeciw zamarzaniu
Do wody zimnej w układach klimatyzacji ze środkiem przeciw zamarzani
Do wody chłodzącej i grzewczej bez środka zapobiegającego zamarzaniu
Do wody chłodzącej i grzewczej ze środkiem zapobiegającym zamarzaniu
Do wody ciepłowniczej ≤ 120 °C
Do tryskacza (mokro)
Do sprężonego powietrza (klasa czystości oleju 0–3)
Do podciśnienia
Do gazów obojętnych (np. azot)
Do techniki domowej i przemysłu
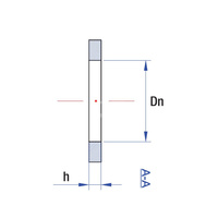
Materiał: Stal nierdzewna
Marka
Symbol
1940936
Rodzaj towaru
Łączniki stalowe
EAN
4064746048128
Kod producenta
40936
Strona www producenta
www.geberit.pl
Zapytaj o produkt
Napisz swoją opinię























